2020-06-01
歐姆龍品牌在繼電器的產品種類不斷擴充,采用全新小型封裝產品S-VSON/VSON以及大容量、高絕緣和高靈敏度等產品。相比普通繼電器來說:如今的MOS FET繼電器具有低維護成本、高速、小體積等特點,正在逐步替代機械繼電器。

以下分享歐姆龍MOS FET繼電器G3VM系列特點及應用行業:
一、歐姆龍MOS FET繼電器G3VM實現各式特點:
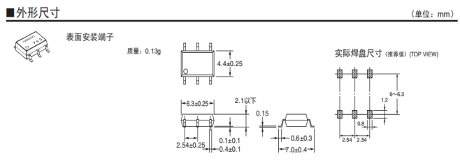
1、超小型尺寸
2、輕重量
3、長壽命:采用光信號傳輸方式,實現無接點構造。不會因接點磨損而造成壽命縮短,實現了長使用壽命。
4、低驅動電流 :在推薦運行條件(標準)下的驅動電流為2-15mA。還有小到可用0.2mA驅動的產品,為整體設備的節能化作出貢獻。接觸可靠性優異,與機械式繼電器相比,能使機械設備小型化,更節能化。
二、歐姆龍MOS FET繼電器規格豐富,各具特長
備有高靈敏度,大容量 低導通電阻 低端子間容量,低導通電阻 高絕緣 超小型等
行業超小級別的低驅動電流0.2mA超高靈敏度型,例如:(G3VM-61G3,G3VM-201G2,G3VM-401G1)
實現了與機械繼電器同等的連續負載電流(-4A)和低導通電阻0.02D 的大容量型
我們可以看下具體參數明:


廣州鼎悅電子科技有限公司分享歐姆龍MOS FET繼電器小身材大作用繼電器系列。我們擁有優秀團隊為客戶提供及時、可行的技術支持,滿足不同客戶多層次需求。更多了解詳細站內咨詢!
點擊咨詢
電話咨詢
QQ咨詢
微信咨詢
回到頂部